Features
◇ Match the connection thread of suction cup, a variety of connection and mounting are available.
Applications
◇ Small size and light spring, suitable for electronics industry.
| How to order | |||
| PJF -L B 6 -M4F -M5F ① ② ③ ④ ⑤ ⑥ | |||
| ① Series | ② Vacuum port direction | ③ Connection | ④ Hose |
| PJF | Nil - Vertical L- Lateral | A - One touch fitting B - Pagoda fitting R1 - Rc1/8 | 4 - φ4软管 6 - φ6软管 8 - φ8软管 |
| ⑤ Mounting thread | ⑥ Suction cup connection | ||
| M4F - M4Female thread M5F - M5Female thread M6F - M6Female thread M8F - M8Female thread M10F - M10Female thread | M8M - M8×1 Male thread M10M - M10×1 Male thread M12M - M12×1 Male thread M14M - M14×1 Male thread M16M - M16×1.5 Male thread | M5F - M5 Female thread M8F - M8 Female thread G1F - G1/8 Female thread G2F -G1/4 Female thread G3F -G3/8 Female thread | |

| Model | H | G | LG | M | LM | S | I | L |
| PJF-LB6-M4F-M5F | 22 | M5 | 6 | M4 | 6 | 10 | 5 | 21 |
| PJF-LB6-M6F-M5F | 32 | M5 | 6 | M6 | 8 | 14 | 5 | 23 |
| PJF-LB6-M6F-M8F | 32 | M8 | 8 | M6 | 8 | 14 | 5 | 23 |
| PJF-LB6-M8F-G1F | 32 | G1/8 | 6 | M8 | 6.5 | 14 | 5 | 23 |

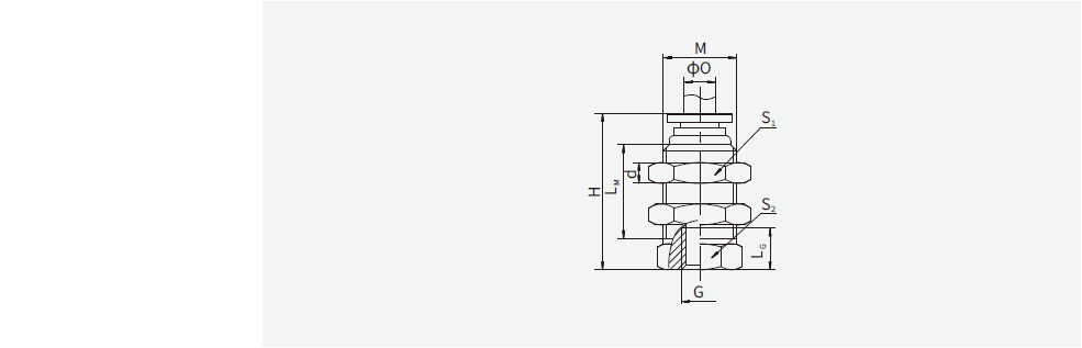
| Model | H | G | LG | M | LM | S1 | S2 | d | O |
| PJF-A4-M12M-M5F | 27.5 | M5 | 6 | M12×1 | 17.5 | 14 | 12 | 4 | 4 |
| PJF-A6-M14M-M5F | 30 | M5 | 6 | M14×1 | 18 | 17 | 14 | 4 | 6 |
| PJF-A6-M14M-M8F | 30 | M8 | 6 | M14×1 | 18 | 17 | 14 | 4 | 6 |
| PJF-A6-M14M-G1F | 30 | G1/8 | 6 | M14×1 | 18 | 17 | 14 | 4 | 6 |
| PJF-A8-M16M-G2F | 40 | G1/4 | 8 | M16×1.5 | 28 | 19 | 17 | 6 | 8 |

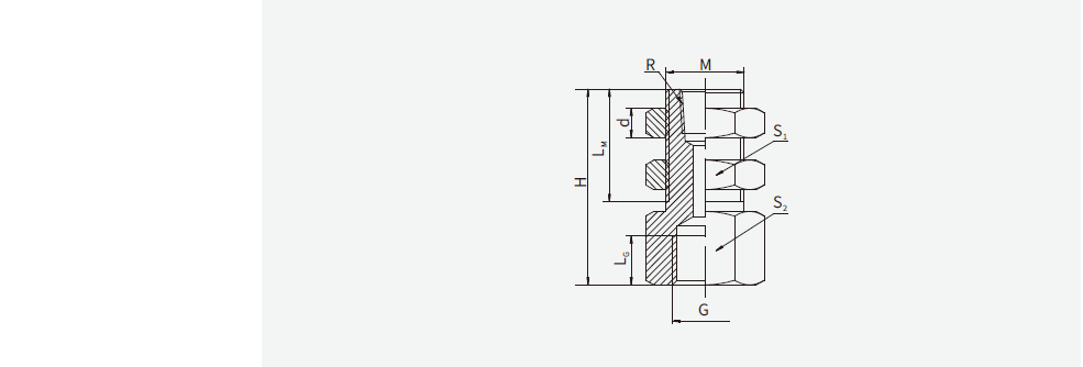
| Model | H | G | LG | M | LM | S1 | S2 | L | d | I |
| PJF-B6-M8M-M5F | 22 | M5 | 5 | M8×1 | 17 | 12 | 12 | 16 | 3.0 | 5.0 |
| PJF-B6-M10M-M5F | 32 | M5 | 6 | M10×1 | 22 | 14 | 14 | 16 | 3.0 | 5.0 |
| PJF-B6-M10M-M8F | 32 | M8 | 8 | M10×1 | 22 | 14 | 14 | 16 | 3.0 | 5.0 |
| PJF-B6-M14M-G1F | 32 | G1/8 | 8 | M14×1 | 22 | 17 | 17 | 16 | 4.0 | 5.0 |

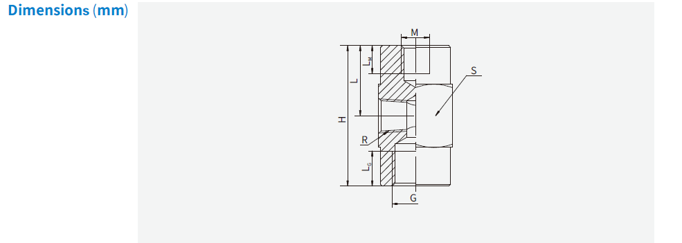
| Model | H | G | LG | M | LM | S1 | S2 | d | R |
| PJF-R1-M16M-G2F | 40 | G1/4 | 10 | M16×1.5 | 23 | 21 | 21 | 6 | Rc1/8 |
| PJF-R1-M16M-G3F | 40 | G3/8 | 11 | M16×1.5 | 23 | 21 | 21 | 6 | Rc1/8 |

| Model | H | G | LG | M | LM | S | L | R |
| PJF-LR1-M10F-G2F | 40 | G1/4 | 10 | M10 | 8 | 21 | 20 | Rc1/8 |
| PJF-LR1-M10F-G3F | 40 | G3/8 | 11 | M10 | 8 | 21 | 20 | Rc1/8 |